Часть 5. Подсветка коптера
Подсветка лучей нужна для определения ориентации коптера в пространстве и в декоративных целях. В этой статье мы поговорим о том, как ее сделать и предложим электронный модуль для управления подсветкой с пульта. Подсветка нашего коптера выглядит так:

Применение навигационных огней
Управлять коптером достаточно сложно. Если с высотой и перемещениями веерх/вниз/вперед/назад/влево/вправо все понятно, то с поворотами все гораздо сложнее. Если коптер повернулся на 90 градусов вправо, то те же движения стиков будут вызывать его движения в других направлениях относительно оператора. Это очень не удобно. Кто-то все время переходит, оставаясь всегда в «хвосте» ЛА, кто-то поворачивает пульт, так, чтобы он был ориентирован одинаково с коптером.
Чтобы облегчить задачу пилоту целесообразно на коптер установить навигационные огни разных цветов. На «Х»-коптере два передних луча помечают одним цветом, а два задних — другим.
Установка подсветки
Для этих целей идеальна светодиодная лента на 12В (если у вас трехбаночный аккумулятор). К ней достаточно подключить питание от аккумулятора и все. На ней есть липкая лента, которая упрощает крепление на раме.
Мы приклеили ленту внутри посадочных колец:

Обратите внимание, что провода у нас уходят внутрь лучей и нигде не мешаются. При таком подключении подсветка коптера просто горит непрерывно, пока подключен аккумулятор.
Блок управления подсветкой
В нашем приемнике Turnigy 9x много каналов, поэтому мы захотели добавить разнообразия в работу навигационных огней и дать возможность пилоту менять менять режим.
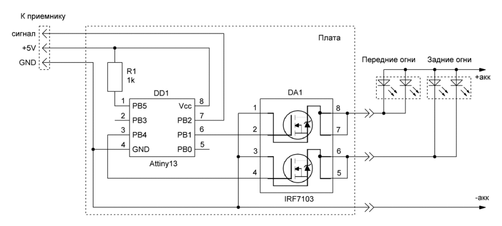
Мы разработали очень простую плату. На ней всего один микроконтроллер Attiny13, резистор на 1кОм в корпусе 0805, два разъема и транзисторная сборка IRF7103 в корпусе SO8 с током до 3А на канал.

С одной стороны плата подключается к приемнику (от которого и питается) с другой — к светодиодной ленте. На схеме изображен сам блок управления и его подключение на коптере:

Плата тоже очень простая:

Все элементы, которые потребуются (кроме разъемов) мы подписали на плате.
Микроконтроллер специально выбран в DIP-корпусе, для того, чтобы можно было его прошить, установив в ZIF-панель. Мы для прошивки использовали программатор Sterh ST-007.
Собранную плату мы установили в хвосте коптера. Если взять угловой разъем можно подключить плату прямо в приемник.

Ссылки на остальные части цикла статей о квадрокоптерах:
Часть 1. Что такое квадрокоптер
Часть 2. Элементы квадрокоптера
Часть 3. Все об аккумуляторах для квадрокоптеров
Часть 4. Рама квадрокоптера
Часть 5. Подсветка коптера
Часть 6. Подключение элементов квадрокоптера
Часть 7. Настройка пульта Turnigy9x для коптера
Часть 8. Настройка регуляторов оборотов бесколлекторного двигателя
Часть 9. Настройка полетного контроллера DJI NAZA
Часть 10. Гиростабилизированный подвес для камеры SJ4000